Photovoltaic (PV) DC Combiner Box
- Prosurge
- China
- 3~4 weeks
- 50K pcs per months
PROSURGE’s PSCB-...P11 series of Photovoltaic (PV) DC combiner boxes features a high-strength plastic enclosure, ensuring robustness and durability. With an IP65 rating, the units provide optimal protection against harsh environmental conditions. They are suitable for both residential and industrial PV power generation systems rated for 1000V and 1500V.
The series can be equipped with a range of components such as DC circuit breakers, isolator switches, DC Surge Protective Devices (SPDs), DC fuses, photovoltaic connectors, and waterproof joints. The PCB series offers lightning protection, short circuit protection, and ground protection, ensuring system safety. It supports single or multiple outputs and can be easily installed on walls. All components, apart from core components, can be customized according to user requirements.
PROSURGE PV combiner boxes for inverters, suitable for protecting the DC side of photovoltaic systems. They shield inverters from overvoltages and comply with IEC 61643-32. Additionally, these boxes provide reverse current protection for the system and enable string combining to save cables during installation.
Photovoltaic(PV) DC Combiner Box
Up to 1500V DC, Supports 1×1 String Connection
PSCB-...P11
nTypical Applications
lResidential
lCommercial
lIndustrial
lRenewable energy
nFeatures
lCombiner box for inverters, suitable for protecting the DC side of a photovoltaic (PV) system according to IEC 61643-32.
lHigh performance SPD inbuilt with In 20kA 8/20 for Class II application (based on the selected model), comply with IEC/EN 61643-11/31, UL1449 5th standards.
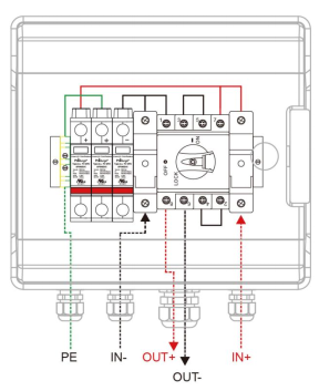
lSupports 1 string input and 1 string output (1x1 string) connection via cable gland connector
lSPD incorporates visual failure indication and optional remote signal contact
lPluggable module of SPD for easy replacement
lFuse holders for inputs and outputs (fuses to be ordered separately)
lWith isolator switch for safe separation of the string lines
lIP65 UV-resistant, flame-retardant plastic enclosure, resisting dirt, dust and water
nConfiguration & Ordering Information
PSCB | -1000 | P | 11 | - IFSC | - U1 |
Series No. | Max. continuous operation voltage (Ucpv) / MCOV | Combiner boxes type | String in/String out | Configuration | SPD Category |
PSCB: Prosurge Combiner Box | -1000 : 1000V -1500 : 1500V | P: Plastic PV combiner boxes PM: Metal PV combiner boxes ... | xy: x=String in number, y=String out number. For example: 11,21,22,31,32,33,41,42,51,52,62... | Blank: Without I : Isolator Switch F: Fuse B: Breaker S: SPD C: Cable Gland M: MC4 | IEC/EN : T1=Class I/T1 T2= Class II/T2 UL&CSA : U1=Type 1CA U2=Type 2CA |
nTechnical Specification
Part No. |
| PSCB-1000P11-IFSC-U1 | PSCB-1500P11-IFSC-U1 | |
SPD Specification | ||||
SPD Category | UL&CSA | Type 1CA | Type 1CA | |
Rated DC voltage | Un | 1000V | 1500V | |
Poles |
| 3P | 3P | |
Max. Continuous Operating Voltage DC | Ucpv/ MCOV | 1120V | 1500V | |
Nominal Discharge Current (8/20 μs) | In | 20kA | ||
Max. Discharge Current (8/20 μs) | Imax | 50kA | ||
Voltage Protection Rating | VPR | 2.5kV | 4.0kV | |
Response Time | tA | ≤25 ns | ||
Short Circuit Current Rating | SCCR | 50kArms | ||
Thermal Disconnector |
| Green - normal; Red - failure | ||
Standards |
| UL1449 5th, IEC 61643-31 | ||
DC Isolator Switch | ||||
Rated Insulation Voltage | Ui | 1000V | 1500V | |
Rated Thermal Current | Ithe | 32A | ||
Rated Impulse Withstand Voltage | Uimp | 8000V | ||
Rated Short-Circuit Making Capacity | Icm | 1000A | ||
Rated Conditional Short-Circuit Current | Icc | 5000A | ||
Number of Operating Cycles |
| 10000 | ||
Poles |
| 4P | ||
Switching Disconnector Capacity |
| DC-PV1, IEC 60947-3 | ||
DC Fuse with Link | ||||
Rated Voltage |
| 1000V | 1500V | |
Rated Current |
| 32A | 35A | |
Size of Fuse Link |
| 10x38mm | 10x85mm | |
Number of Operating Cycles |
| 500 | ||
Standard |
| IEC60269-6 | ||
General Parameters | ||||
Cable Gland Connection | DC INPUT + / - | PG9(4-9mm) | PG9(4-9mm) | |
DC OUTPUT + / - | PG21(13-18mm) | PG9(4-9mm) | ||
PE | PG9(4-9mm) | |||
Cross-Section of Connection Wire (Max.) | DC INPUT + / - | 10AWG/ 6mm2 | 10AWG/ 6mm2 | |
DC OUTPUT + / - | 6AWG/ 16mm2 | 10AWG/ 6mm2 | ||
PE | 10AWG/6mm2 | |||
Operating Environment |
| Temperature: - 20ºC ~ + 60ºC ; Humidity: 5~ 95 %(25ºC), Altitude≤2km | ||
Installation Location |
| Outdoor | ||
Degree Of Protection |
| IP65 | ||
Enclosure Material |
| Plastic enclosure, waterproof | ||
Mounting |
| Wall mounting | ||
Dimension |
| 218x200x100mm | 280x280x130mm | |
Net Weight |
| 1.6kg | 2.5kg | |
nDimensions (unit: mm)
Tolerance without ± 5mm
PSCB-1000P11-IFSC-U1 PSCB-1500P11-IFSC-U1

PG9 x 3pcs, PG21 x 1pcs PG9 x 5pcs
nInstallation Diagram
PSCB-1000P11-IFSC-U1 PSCB-1500P11-IFSC-U1









